شماره تلفن های دفتر مرکزی
02166748080-3
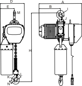
شماتیک جرثقیل برقی دو کاره ویتال
نشانی ایمیل شما منتشر نخواهد شد. بخشهای موردنیاز علامتگذاری شدهاند *
دیدگاه *
نام *
ایمیل *
وب سایت
لطفا پاسخ را به عدد انگلیسی وارد کنید:
Δ
مشاوره آنلاین
بدون دیدگاه